發布日期:2022-03-11 瀏覽:3483 次
采用【狀態序列】程序來進行備自投試驗。起始狀態為有電壓、有電流,故障狀態為無電流、無電壓。
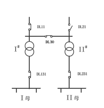
一.備自投的接線類型與備用方式
1.接線類型1

2.接線類型2

二.故障種類
1.線路1失電
2.線路2失電
3.DL11開關偷跳
4.DL21開關偷跳
5.DL131開關偷跳
6.DL231開關偷跳
7.1#主變故障
8.2#主變故障
9.DL11開關手跳
10.DL21開關手跳
11.DL131開關手跳
12.DL231開關手跳
說明:
1.主變故障情況下,有些時候是不允許備自投動作的,否則可能造成事故,這時可通過測試儀輸出一個開出量,接入備自投,作為備自投的閉鎖信號。
2.有時檢修、試驗時,通過手跳開關,將電源切除,這時也不允許備自投動作,這時可通過測試儀輸出一個開出量,接入備自投,作為備自投的閉鎖信號。
三.電流、電壓的接線
繼電保護測試儀做備自投試驗,接線比較復雜,不同的接線類型,備用方式以及事故原因,都可能造成試驗接線的不同。下面介紹的方法僅供參考,使用者可根據現場情況靈活應用。
1.電流的接入(兩主變低壓側各加一個電流)
電流接入的作用:
(1).投前要判斷被跳開的一側變壓器支路無電流,才能合上備用開關。
(2).暗備用方式下,備用開關合閘后,因所帶負荷超出變壓器的允許最大負荷,要求甩負荷,一般通過判斷自投后的電流是否超過整定的過流動作值來確定變壓器是否超載。
(3).開關合閘于故障母線,導致自投后電流非常大,以模擬后加速動作情況。
電流的接線比較簡單,如圖所示:

2.電壓的接入
備自投的電壓接線比較復雜,最多須接入8個電壓,有些電壓可采用線電壓接入,可減少測試儀的電壓通道數。測試儀的電壓通道數一般為4—6個。
接線如圖所示:

測試儀的輸出電壓設定如下:UA=100V,0°;UB=100V,60°,則UAB=100V,-60°。繼電保護測試儀由于測試儀的輸出電壓UA和UB分別加在備自投的UA和UC上,則備自投側的電壓為:
UAB=100V,0°
UBC=-UB=100V,-120°,
UCA=-UAB=100V,120°。
同樣,UC、UX和UN可分別接入另一組母線電壓上。
四.參數的設置
1.主接線1

(1).工作原理:
故障前:1#母線和2#母線有流、有壓。
故障態:DL11跳開,1#母線無流、無壓,2#母線有流、有壓。
備自投動作:當備自投判斷1#母線無流、無壓時,備自投動作,DL131斷開,DL100合上。
備自投動作后:1#母線有壓、1#主變無流,2#母線有壓、2#主變電流增大。各狀態電流、電壓設置如下:

(2).試驗接線--如圖所示:

2.主接線2
(1).工作原理:
故障前:1#母線有流、有壓,2#母線有壓、2#主變無流。
故障態:DL11跳開,1#母線、2#母線無壓,1#主變、2#主變無流。
備自投動作:當備自投判斷1#母線無流、無壓時,備自投動作,DL131斷開,DL231合上。

備自投動作后:1#母線有壓,1#主變無流,2#母線有壓、2#主變有電流。各狀態電流、電壓設置如下:

(2).試驗接線:同前

3.主接線3
(1).工作原理:
故障前:1#母線、2#母線有壓,1#主變有流、2#主變有流。
故障態:DL11跳開,1#母線無壓、1#主變無流,2#主變有流,2#母線有壓。
備自投動作:當備自投判斷1#母線無流、無壓時,備自投動作,DL30合上。
備自投動作后:恢復為故障前狀態。各狀態電流、電壓設置如下

(2).試驗接線:同前
4.主接線4

(1).工作原理:
故障前:1#母線、2#母線有壓,1#主變有流、2#主變有流。
故障態:DL11跳開,1#母線、2#母線無壓,1#主變、2#主變無流。
備自投動作:當備自投判斷1#母無流、無壓時,備自投動作,DL21合上。
備自投動作后:恢復為故障前狀態。

(2).試驗接線:同前
五.試驗總結
1.根據圖紙及現場情況,確認系統主接線方式。
2.根據主接線方式和備自投裝置的使用說明,了解備自投裝置的動作邏輯關系,以便進行各狀態參數的設置。
3.設置各狀態的電流和電壓參數,選擇相應的開入量和開出量。根據自投裝置的動作時間,設置各狀態的維持時間。
4.如備自投裝置已投入運行的,且各開關也已投入運行,則測試儀的開出量可不接。繼電保護測試儀如備自投裝置沒有投入運行的,且各開關也沒投入運行,則須將測試儀的開出量接入備自投裝置相應的開入量,或人為短接備自投裝置的某些開入量,以便掌握備自投裝置各開關的分合情況,以便裝置發出自投指令。
優力克電力是電力試驗設備的生產廠家,我們的產品全程提供專業的技術服務。

本公司生產全面貫徹 ISO9001:2015 質量管理體系認證證書及文字商標和圖片商標注冊

本公司與武漢各大高校和武漢高壓研究所有著緊密合同關系,有著明細的技術優勢和穩定技術方案

公司具有專業的銷售和技術支持團隊隨時了解和客戶溝通產品的應用情況,提供一對一高效專業的服務

產品全部執行ISO9001質量管理體系,SMT自動化的生產,半成品檢測,成品檢測拷機,讓每一個產品都經過5次以上的100%測試,確保產品質量100%

公司具有精準的預期備貨和保持穩定的安全庫存,滿足客戶的緊急需求和批量性采購需求

公司產品每年抽樣送第三方檢驗(如湖北省技術監督局、武漢市計量院),符合出廠標準和第三方檢測指標要求